Page 624 - SKF-bearing-housings
P. 624
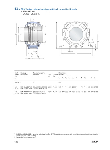
13.6 SDM Yankee cylinder housings, with inch connection threads
d 630–670 mm
24.803 – 26.378 in.
C a
d a b c
D a d d d c d b H
r G 1
H 1
G
H 2
b a G 2
J
b b
L
b e b d
A 4 A 3
Shaft Housing Appropriate parts Dimensions
diam- Designation Bearing 1) Lock Locking Housing
eter nut clip
d a A 1 A 3 A 4 C a D a H H 1 H 2 J J 1 L
mm/in. – – mm
630 SDM 31/630 FN9 231/630 CAK/C3W33 N 630 PL 630 510 2) 2) 315 1 030 2) 700 2) 1 330 350 1 500
24.803 SDM 31/630 RAN9 C 31/630 KMB/HA3C4
670 SDM 30/670 FN9 230/670 CAK/W33 N 670 PL 670 420 300 330 230 980 1 180 620 85 1 260 300 1 380
26.378 SDM 30/670 RAN9 C 30/670 KM/HA3C4
1) 23(000) and 23(0)/(000) – spherical roller bearing, C… – CARB toroidal roller bearing. Only typical bearings are listed. Other bearing
variants can also fit the housing.
2) Contact SKF for missing values.
620

